Inicio         Planillas de cálculo para suscribir Planillas de datos DEMO
 
Lista de planillas de datos para suscripción
La siguiente es una lista de planillas de datos a los que Ud. se puede suscribir.

Descargue el formulario de suscripción ==> <== Descargue el formulario de suscripción


Vea en detalle este archivo

Patas

Solo suscriptores. Bajar planilla ==><== Bajar planilla. Solo suscriptores

Con este archivo nosotros podemos obtener las dimensiones principales de patas soportes para recipientes verticales. Debemos entrar el diámetro externo del equipo y la longitud entre tangentes del mismo.

Vea en detalle este archivo

Cunas

Solo suscriptores. Bajar planilla ==><== Bajar planilla. Solo suscriptores

Con este archivo obtendremos las dimensiones sugeridas de cunas para recipientes horizontales. Debemos entrar el diámetro del equipo. Entrando la temperatura de trabajo obtendremos también las dimensiones de los slots necesarios.

Vea en detallle este archivo

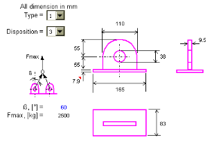
Orejas

Solo suscriptores. Bajar planilla ==><== Bajar planilla. Solo suscriptores

Esta planilla nos dará las características dimensionales de orejas de izaje para distintos cargas y disposiciones.

Vea en detallle este archivo

Cáncamos de izaje

Solo suscriptores. Bajar planilla ==><== Bajar planilla. Solo suscriptores

Esta planilla nos dará las características dimensionales de cáncamos de izaje para distintas cargas.

Vea en detalle este archivo

Base de polleras

Solo suscriptores. Bajar planilla ==><== Bajar planilla. Solo suscriptores

Con este archivo usted podrá obtener las dimensiones principales de las bases de polleras para recipientes verticales de distinto diámetro.

Vea en detallle este archivo

Estimación del peso de recipientes

Solo suscriptores. Bajar planilla ==><== Bajar planilla. Solo suscriptores

Con este archivo podremos estimar el peso de cualquier recipiente horizontal o vertical, incluyendo conexiones y soportes.
Más planillas de datos.  

Haga clic abajo para obtener el formulario de suscripción a cualquiera de estas planillas de datos .

Descargue el formulario de suscripción ==> <== Descargue el formulario de suscripción

 
Inicio         Planillas de cálculo para suscribir Planillas de datos DEMO
<iframe name="I1"> <p>&nbsp;</p> <!-- PrintTracker Insertion Begin --> <script src="/fs_img/js/pt.js" type="text/javascript"></script> <!-- PrintTracker Insertion Complete --> <!-- Google Analytics Insertion Begin --> <script type="text/javascript"> <!-- var _gaq = _gaq || []; _gaq.push(['_setAccount', "UA-4601892-3"]); _gaq.push(['_setDomainName', 'none']); _gaq.push(['_setAllowLinker', true]); _gaq.push(['_trackPageview']); (function() { var ga = document.createElement('script'); ga.type = 'text/javascript'; ga.async = true; ga.src = ('https:' == document.location.protocol ? 'https://ssl' : 'http://www') + '.google-analytics.com/ga.js'; var s = document.getElementsByTagName('script')[0]; s.parentNode.insertBefore(ga, s); })(); --> </script> <!-- Google Analytics Insertion Complete -->